国务院关税税则委员会关于调整部分钢铁产品关税的公告
税委会公告〔2021〕4号
为更好保障钢铁资源供应,推动钢铁行业高质量发展,国务院关税税则委员会决定,自2021年5月1日起,调整部分钢铁产品关税。调整清单见附件。
附件:
1.钢铁产品进口关税调整表
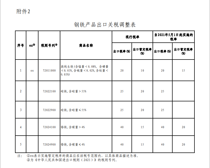
2.钢铁产品出口关税调整表
国务院关税税则委员会
2021年4月27日



国务院关税税则委员会关于调整部分钢铁产品关税的公告
税委会公告〔2021〕4号
为更好保障钢铁资源供应,推动钢铁行业高质量发展,国务院关税税则委员会决定,自2021年5月1日起,调整部分钢铁产品关税。调整清单见附件。
附件:
1.钢铁产品进口关税调整表
2.钢铁产品出口关税调整表
国务院关税税则委员会
2021年4月27日



出口退税是指在国际贸易业务中,对我国报关出口的货物退还在国内各生产环节和流转环节按税法规定缴纳的增值税和消费税,即出口环节免税且退还以前纳税环节的已纳税款。
一般分为两种: 一是退还进口税,即出口产品企业用进口原料或半成品,加工制成产品出口时,退还其已纳的进口税;二是退还已纳的国内税款,即企业在商品报关出口时,退还其生产该商品已纳的国内税金。
七海财税2007来成立以来一直为广大出口企业提供更优质的财税服务,顺应广大出口企业的迫切需要。
苏州七海财税事务有限公司2007年创立,2010年1月设立相城分公司,2012年7月设立吴中分公司,服务网络辐射苏州市各区,为一站式专业财税服务平台。
整合了创业服务、代理记账、财税咨询、税收筹划、财务外包、融资财税、上市咨询等一站式财税服务,成功服务于信息技术、电子商务、生物医药、文化创意、金融、能源、制造、化工、航空、房地产等行业客户。
15062429200(微信号)/15062429300(微信号)/0512-69391261
如有工商、财税、商标、进出口问题可以用微信或是电话找到相应人员处理
姑苏分公司:姑苏区西环路1638号国际经贸大厦1505室((地铁站:西环路)
相城分公司:相城区相城大道789号8034室(苏宁电器北面凯翔大厦1号楼)
吴中分公司:吴中区苏蠡路90号旺吴金座611室(地铁站:新家桥)



